Documentations          MOTOS ANCIENNES

Documentation Yamaha 125 RDX (1976-1982)

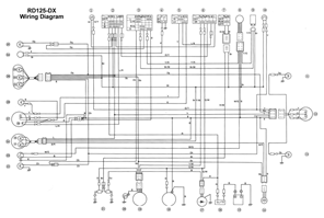
125 RDX Câblage 125 RDX Routage faisceaux Yamaha 125RDX  

"Part List"

Câblage électrique

Routage des faisceaux électriques